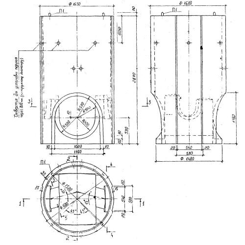
КЛ 15 рабочие камеры канализационных колодцев

Чертеж изделия:
Характеристики изделия:
ПараметрЗначение
длина1680 мм
ширина1680 мм
высота2870 мм
масса4450 кг
нормативный документАльбом РК 2201-82

КЛ 15  Рабочие камеры канализационных колодцев Альбом РК 2201-82.