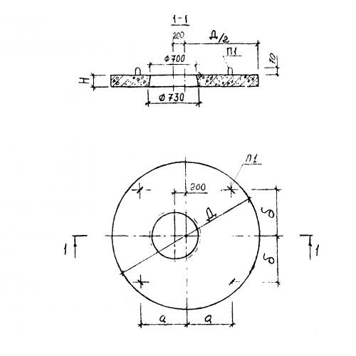
ПВГ 25 плиты перекрытия колодцев
Характеристики изделия:
| Параметр | Значение |
|---|---|
| длина | 2740 мм |
| ширина | 2740 мм |
| высота | 180 мм |
| масса | 2480 кг |
| нормативный документ | Альбом РК 2201-82 |
Цена:
Рассчитать стоимостьПВГ 25 Круглые плиты перекрытия с отверстием у центра Альбом РК 2201-82.
