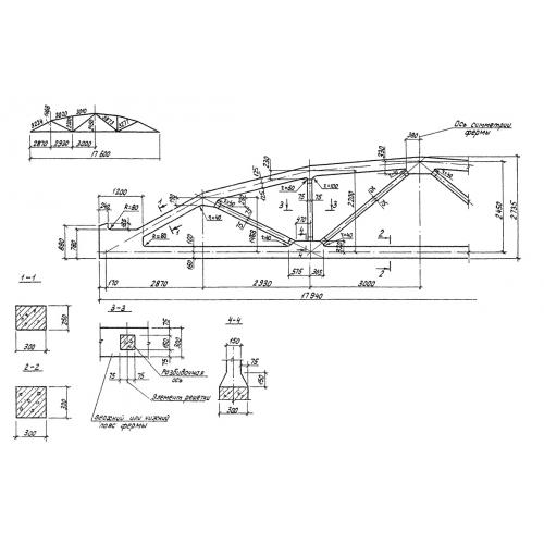
4ФС 18

Чертеж изделия:
Характеристики изделия:
ПараметрЗначение
длина17940 мм
ширина300 мм
высота2437 мм
масса9400 кг
нормативный документГОСТ 20213-89

4ФС 18  Фермы раскосные сегментные ГОСТ 20213-89.