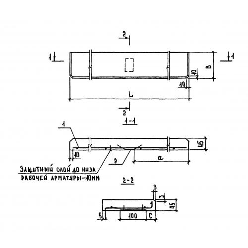
ПОШ 22.15 плиты подоконные
Характеристики изделия:
| Параметр | Значение |
|---|---|
| длина | 2200 мм |
| ширина | 150 мм |
| высота | 45 мм |
| масса | 37 кг |
Цена:
Рассчитать стоимостьПОШ 22.15 Плиты подоконные, имеют мозаичную шлифованную поверхность, так как в бетон добавлена мраморная щебенка, ГОСТ 26919-86.
