ППФ 12-69

Чертеж изделия:
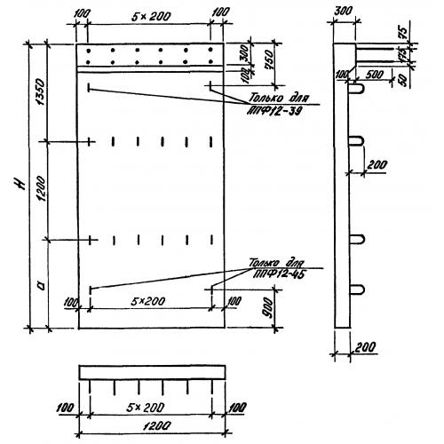
Характеристики изделия:
ПараметрЗначение
длина1200 мм
ширина300 мм
высота6900 мм
вес4250 кг
серия1.012.1-3.97

ППФ 12-69 Плиты фундаментные плоские по серии 1.012.1-3.97.