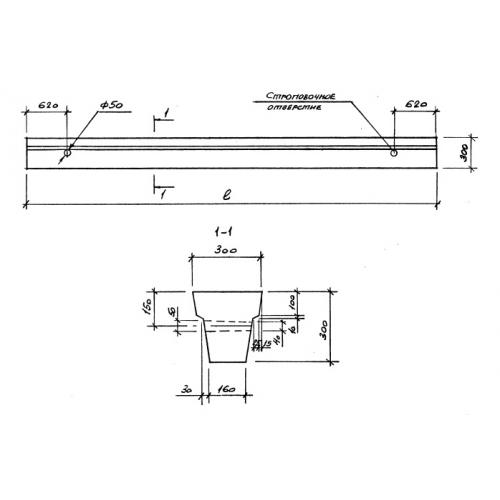
2БФ 60 балки фундаментные

Чертеж изделия:
Характеристики изделия:
ПараметрЗначение
длина5950 мм
ширина300 мм
высота300 мм
масса1000 кг
нормативный документСерия 1.015.1-1.95

2БФ 60  Балки фундаментные Серия 1.015.1-1.95.