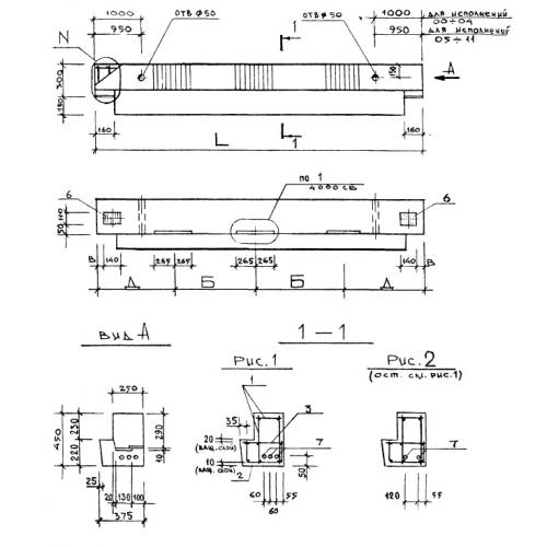
РОП 4.68

Чертеж изделия:
Характеристики изделия:
ПараметрЗначение
длина6760 мм
ширина375 мм
высота450 мм
масса2280 кг
нормативный документСерия 1.020-1

РОП 4.68  Ригели с одной полкой для опирания многопустотных панелей перекрытия Серия 1.020-1.