1Д 11.33

Чертеж изделия:
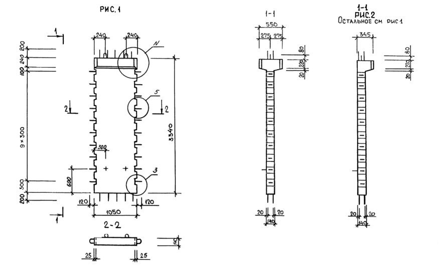
Характеристики изделия:
ПараметрЗначение
длина1290 мм
ширина345 мм
высота3740 мм
масса1380 кг
нормативный документСерия 1.020.1-3пв

1Д 11.33  Диафрагмы жесткости с одной полкой Серия 1.020.1-3пв.