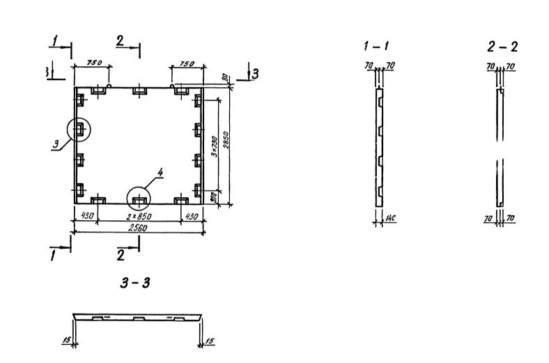
Д 26.29
Характеристики изделия:
| Параметр | Значение |
|---|---|
| длина | 2560 мм |
| ширина | 140 мм |
| высота | 2850 мм |
| масса | 2570 кг |
| нормативный документ | Серия 1.020.1-3пв |
Цена:
Рассчитать стоимостьД 26.29 Диафрагмы жесткости Серия 1.020.1-3пв.
| Параметр | Значение |
|---|---|
| длина | 2560 мм |
| ширина | 140 мм |
| высота | 2850 мм |
| масса | 2570 кг |
| нормативный документ | Серия 1.020.1-3пв |
Д 26.29 Диафрагмы жесткости Серия 1.020.1-3пв.