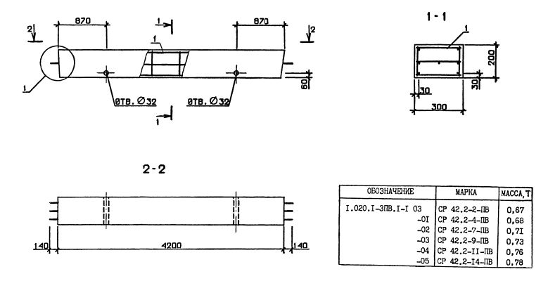
СР 42.2

Чертеж изделия:
Характеристики изделия:
ПараметрЗначение
длина4480 мм
ширина300 мм
высота200 мм
масса780 кг
нормативный документСерия 1.020.1-3пв

СР 42.2  Связи-распорки Серия 1.020.1-3пв.