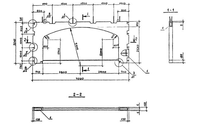
ПВА 70.30.56-7Т-С

Чертеж изделия:
Характеристики изделия:
ПараметрЗначение
длина7020 мм
ширина160 мм
высота3040 мм
масса3450 кг
нормативный документСерия 1.090.1-2с

ПВА 70.36.56-7Т-С  Панели внутренние арочные (Серия 1.090.1-2с).

3Т - бетон  тяжелый марки М250.

7Т - бетон  тяжелый марки М250, панель с косвенным армированием.

С - для сейсмических районов.