ВЭ2-26-28-2-д

Чертеж изделия:
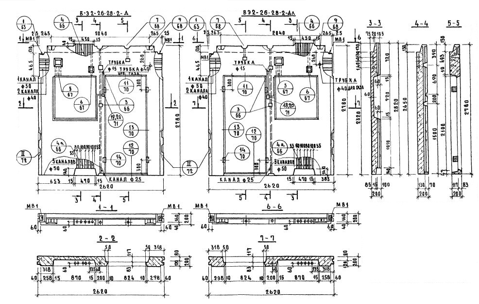
Характеристики изделия:
ПараметрЗначение
длина2620 мм
ширина200 мм
высота2780 мм
масса2200 кг
нормативный документСерия 1.131-10

Серия 1.131-10   Панели групп ВЭ1, ВЭ2, ВЭ4 длиной от 2,4 до 6 м  толщиной 200 мм.

ВЭ2-26-28-2-д   Внутренние стеновые электротехнические панели.