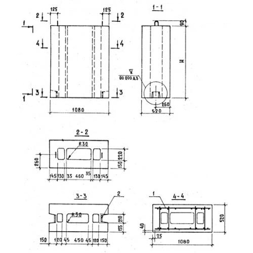
ВБХ 11.5.5 блоки вентиляционные

Чертеж изделия:
Характеристики изделия:
ПараметрЗначение
длина1080 мм
ширина520 мм
высота450 мм
масса250 кг
нормативный документСерия 1.134.1-12

ВБХ 11.5.5  Блоки вентиляционные холодного чердака Серия 1.134.1-12.