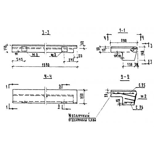
ЛСП 18 ступени лестничные

Чертеж изделия:
Характеристики изделия:
ПараметрЗначение
длина1990 мм
ширина290 мм
высота148 мм
масса145 кг
нормативный документСерия 1.155-1

ЛСП 18  Лестничные ступени (площадочные вкладыши) Серия 1.155-1.