АП 13.6

Чертеж изделия:
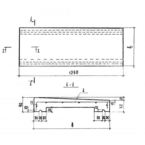
Характеристики изделия:
ПараметрЗначение
длина1290 мм
ширина600 мм
высота90 мм
масса115 кг
нормативный документСерия 1.238-1

АП 13.6 Плиты парапетные Серия 1.238-1.