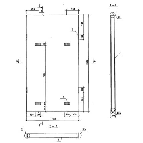
ПШЛ 63-33

Чертеж изделия:
Характеристики изделия:
ПараметрЗначение
длина1960 мм
ширина140 мм
высота3280 мм
вес2250 кг
серия1.289.1-2

ПШЛ 63-33 Панели шахт лифтов по серии 1.289.1-2.