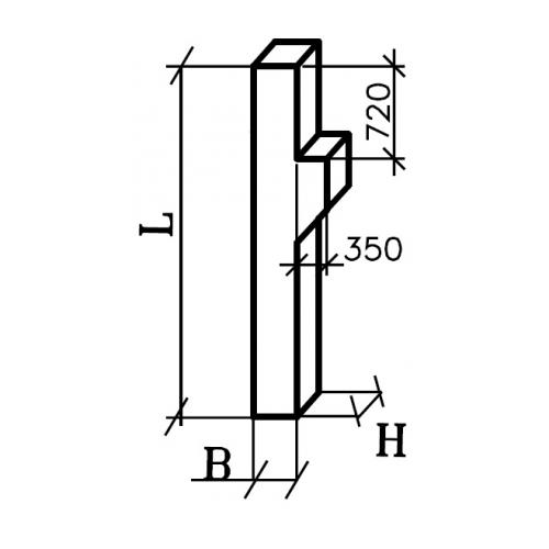
К колонны
Характеристики изделия:
| Параметр | Значение |
|---|---|
| длина | 4920 мм |
| ширина | 400 мм |
| высота | 400 мм |
| масса | 2100 кг |
| нормативный документ | Серия 1.420-12 |
Цена:
Рассчитать стоимостьК Колонны Серия 1.420-12.
| Параметр | Значение |
|---|---|
| длина | 4920 мм |
| ширина | 400 мм |
| высота | 400 мм |
| масса | 2100 кг |
| нормативный документ | Серия 1.420-12 |
К Колонны Серия 1.420-12.
