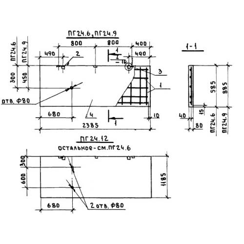
ПГ 24.9

Чертеж изделия:
Характеристики изделия:
ПараметрЗначение
длина2385 мм
ширина80 мм
высота885 мм
вес430 кг
серия1.831.9-3

ПГ 24.9 Панели перегородок по серии 1.831.9-3.