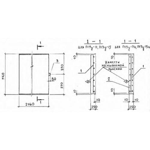
П 19д

Чертеж изделия:
Характеристики изделия:
ПараметрЗначение
длина740 мм
ширина2160 мм
высота250 мм
вес1000 кг
серия3.006-2

П 19д Плиты перекрытия лотков доборные по серии 3.006-2.