Л 23/2 лотки

Чертеж изделия:
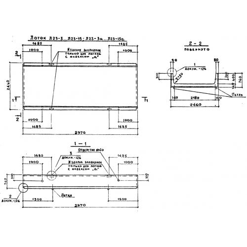
Характеристики изделия:
ПараметрЗначение
длина2970 мм
ширина2460 мм
высота740 мм
масса3550 кг
нормативный документСерия 3.006.1-2/87

Л 23/2 Лотки теплотрасс Серия 3.006.1-2/87.