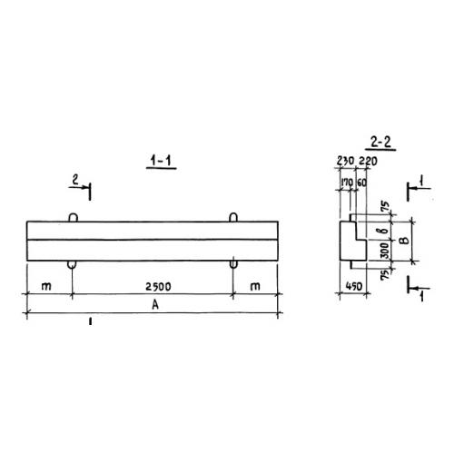
Б 42

Чертеж изделия:
Характеристики изделия:
ПараметрЗначение
длина4600 мм
ширина450 мм
высота600 мм
масса2350 кг
нормативный документСерия 3.006.1-3/83

Б 42 Балки тоннелей Серия 3.006.1-3/83.