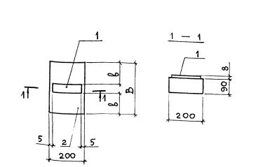
ОП 1 опорная подушка

Чертеж изделия:
Характеристики изделия:
ПараметрЗначение
длина200 мм
ширина200 мм
высота90 мм
масса10 кг
нормативный документСерия 3.006.1-8

ОП 1  Опорные подушки  под подвижные опоры трубопроводов Серия 3.006.1-8.