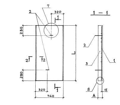
ПТ 75.150.14 плиты лотков

Чертеж изделия:
Характеристики изделия:
ПараметрЗначение
длина740 мм
ширина1480 мм
высота140 мм
масса380 кг
нормативный документСерия 3.006.1-8

ПТ 75.150.14  Плиты перекрытий каналов Серия 3.006.1-8.