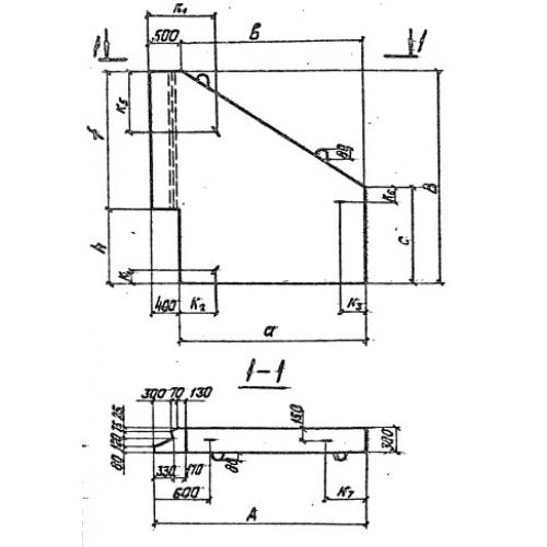
СТ 5 Стенки откосные

Чертеж изделия:
Характеристики изделия:
ПараметрЗначение
длина2200 мм
ширина300 мм
высота2470 мм
масса3100 кг
нормативный документСерия 3.501.1-144

СТ 5  Стенки откосные по Серии 3.501.1-144.