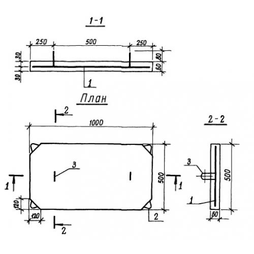
ПП 5-10

Чертеж изделия:
Характеристики изделия:
ПараметрЗначение
длина1000 мм
ширина500 мм
высота60 мм
масса72,5 кг
нормативный документСерия 3.820-6

ПП 5-10 Плиты плоские прямоугольные по Серии 3.820-6.