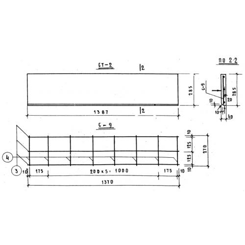
СТ 2

Чертеж изделия:
Характеристики изделия:
ПараметрЗначение
длина1387 мм
ширина285 мм
высота40 мм
масса40 кг
нормативный документСерия ИИС 04-7

СТ 2  Накладные проступи по Серии ИИС 04-7.