ПСТ 60.21.35
Характеристики изделия:
| Параметр | Значение |
|---|---|
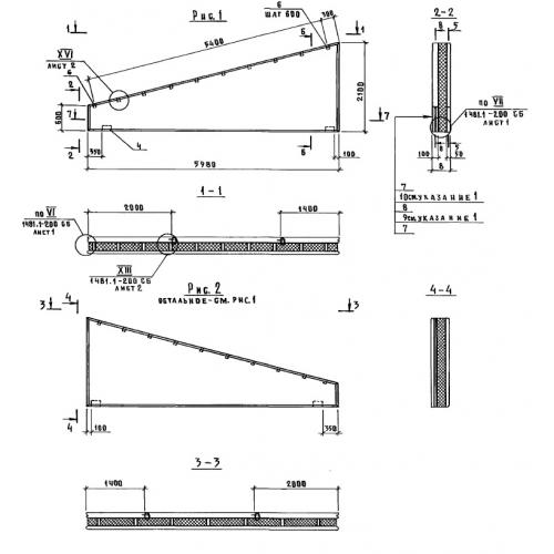
| длина | 5980 мм |
| ширина | 350 мм |
| высота | 2100 мм |
| вес | 2800 кг |
| Шифр | 1481 |
Цена:
Рассчитать стоимостьПСТ 60.21.35 Панели стеновые трехслойные по Шифру 1481.
| Параметр | Значение |
|---|---|
| длина | 5980 мм |
| ширина | 350 мм |
| высота | 2100 мм |
| вес | 2800 кг |
| Шифр | 1481 |
ПСТ 60.21.35 Панели стеновые трехслойные по Шифру 1481.
