К
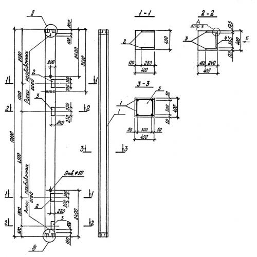
Характеристики изделия:
| Параметр | Значение |
|---|---|
| длина | 10800 мм |
| ширина | 400 мм |
| высота | 400 мм |
| вес | 4325 кг |
| серия | ТП 901-5-44.87 |
Цена:
Рассчитать стоимостьК Колонны по проекту ТП 901-5-44.87.
| Параметр | Значение |
|---|---|
| длина | 10800 мм |
| ширина | 400 мм |
| высота | 400 мм |
| вес | 4325 кг |
| серия | ТП 901-5-44.87 |
К Колонны по проекту ТП 901-5-44.87.
