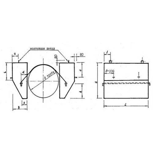
УБОм 530 утяжелители охватывающего типа
Характеристики изделия:
| Параметр | Значение |
|---|---|
| длина | 1000 мм |
| ширина | 400 мм |
| высота | 700 мм |
| масса | 834 кг |
| нормативный документ | ВСН 39-1.9-003-98 |
Цена:
Рассчитать стоимостьУБОм 530 Утяжелители бетонные охватывающего типа ВСН 39-1.9-003-98.
